Индикаторы и сигнализаторы на регулируемом стабилитроне TL431: как простые схемы превращают его в мозг вашего питания
Интегральный стабилизатор TL431 применяется в большинстве узлов блоков питания. Тем не менее, его диапазон применений остаётся обширным и продолжает расширяться. Ниже приводятся примеры схем, демонстрирующих альтернативные функции данного элемента.
В настоящей заметке рассматриваются простые и практичные устройства, реализованные на базе микросхемы TL431. Однако не следует паниковать из-за термина «микросхема» — в объекте отсутствуют сложные параллельные схемы: у него всего три вывода, и внешне он напоминает маломощный транзистор в корпусе TO-90.
Исторический контекст
Установилось устойчивое восприятие среди радиолюбителей пара слов: 431 и 494. Но что они обозначают?
Компания TEXAS INSTRUMENTS стояла на истоках полупроводниковой эры и не раз занимала лидирующие позиции в мировой индустрии компонент. Первая интегральная микросхема была создана здесь в 1958 году Джеком Килби.
В настоящее время TI выпускает широчайший ассортимент микросхем с префиксами TL и SN — аналоговые и цифровые изделия, которые надолго вошли в историю и активно применяются во всём мире.
В одном из ранних списков «магических» микросхем выделяют регулируемый стабилизатор TL431: трехвыводная компоновка скрывает внутри систему из десяти транзисторов; функция устройства эквивалентна классическому стабилитрону (диоду Зенера), но с расширенными возможностями регулировки.

Однако за счёт данной архитектуры достигается более высокая термостабильность и крутизна характеристики. Главная же особенность состоит в возможности изменения напряжения стабилизации посредством внешнего делителя в диапазоне 2,5…30 В, а у поздних образцов нижний порог снижается до 1,25 В.
TL431 была создана сотрудником TI Барни Холландом в начале 1970-х годов; он занимался адаптацией схем стабилизации другой компании и переработал источник опорного напряжения в отдельный стабилизатор. Первоначально устройство называли TL430, затем, после последующих усовершенствований, — TL431.
С тех пор прошло немало времени, и сегодня TL431 встречается практически во всех компьютерных БП и в большинстве маломощных импульсных источников питания. Её можно увидеть и в зарядных устройствах для мобильных телефонов — примеры долговременного применения. На рисунке 1 представлена функциональная схема TL431.

Рисунок 1. Функциональная схема TL431.
Не менее известна и микросхема TL494, разработанная Барни Холландом — двухтактный ШИМ‑контроллер, на базе которого создано множество импульсных источников питания. Следовательно, число «494» также относится к «магическим» элементам цепей питания.
Теперь перейдём к рассмотрению конструкций на базе TL431.
Индикаторы и сигнализаторы
TL431 может применяться не только как стабилитрон в цепях источников питания. На его основе возможно выполнить различные световые индикаторы и даже звуковые сигнализаторы, которые позволяют отслеживать множество параметров.
В первую очередь это электрическое напряжение. Если форму любой физической величины через датчик представить в виде электрического напряжения, можно сконструировать устройство для мониторинга, например, уровня воды в резервуаре, температуры и влажности, освещённости, давления газа или жидкости.
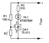
Сигнализатор перегрузки по напряжению
Функционирование такого индикатора основано на условии, при котором управляющий электрод стабилитрона DA1 (вывод 1) имеет напряжение менее 2,5 В: стабилитрон закрыт, через него протекает лишь небольшой ток, обычно не превышающий 0,3–0,4 мА, что недостаточно для свечения HL1. Чтобы сигнал не проявлялся, параллельно светодиоду можно подключить резистор около 2–3 кОм. Схема представлена на рисунке 2.

Рисунок 2. Сигнализатор перегрузки по напряжению.
Если напряжение на управляющем выводе превысит 2,5 В, стабилитрон открывается и HL1 загорается. Ограничение тока через стабилитрон и светодиод обеспечивает резистор R3. Максимальный ток стабилитрона не превышает 100 мА, тогда как светодиод может потреблять до 20 мА. Именно эта пара параметров определяет выбор сопротивления R3. Более точное вычисление приводится в формуле ниже.
R3 = (Uпит – UHL – Uda)/IHL. Здесь применяются обозначения: Uпит — напряжение питания, UHL — прямое падение напряжения на светодиоде, Uda — напряжение на открытой микросхеме (обычно около 2 В), IHL — ток светодиода (устанавливается в диапазоне 5–15 мА). Следует помнить, что максимальное напряжение для TL431 ограничено 36 В.
Уровень срабатывания сигнала
Напряжение на управляющем выводе, при котором загорается HL1 (Uз), определяется делителем R1, R2. Делитель вычисляется по формуле:
R2 = 2,5·R1/(Uз – 2,5). Для более точной настройки порога можно заменить R2 подстроечным резистором, номиналом примерно в полтора раза большем полученного значения. После настройки подстроечный резистор можно заменить постоянным резистором, равным сопротивлению введенной части подстроечного.
Иногда необходимо контролировать несколько уровней напряжения. В таких случаях применяются три сигнализатора, каждый настроен под свой порог, что позволяет получить линейную шкалу индикаторов.
Для питания цепи индикации, состоящей из HL1 и R3, можно применить отдельный источник питания, даже нестабилизированный. В этом режиме контролируемое напряжение подаётся на верхний вывод узла резистора R1, который затем отключают от резистора R3. Это позволяет измерять и управлять напряжением в диапазоне от трёх до нескольких десятков вольт.
Индикатор пониженного напряжения

Рисунок 3. Индикатор пониженного напряжения.
Конфигурация отличается тем, что светодиод зажигается инверсно: он активируется, когда микросхема закрыта. При превышении порога, заданного делителем R1, R2, устройство открывается и через R3 и выводы 3–2 протекает ток, что инициирует свечения светодиода.
На самой микросхеме присутствует перенос напряжения около 2 В, которого недостаточно для зажигания светодиода. Чтобы обеспечить надёжность свечения, к светодиоду последовательно добавляются два диода. Некоторые типы светодиодов (синие, белые и некоторые зелёные) начинают светиться при напряжении около 2,2 В; в подобных случаях вместо диодов VD1, VD2 применяют перемычки из проволоки.
Если контролируемый уровень напряжения падает ниже порога, микросхема закрывается, выход становится напряженным выше 2 В, и HL1 загорается.
Если необходимо отслеживать только изменение напряжения, схема индикатора может быть выполнена по рисунку 4.

Рисунок 4. Индикатор изменения напряжения.
В этом индикаторе применён двухцветный светодиод: красный свет загорается при превышении порога, зелёный — при понижении напряжения.
В случае приближённости контролируемого значения к порогу (порядка 0,05–0,1 В) оба индикатора погашаются, поскольку передаточная характеристика стабилитрона имеет выраженную крутизну.
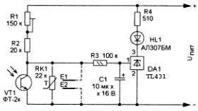
Если требуется регистрировать изменение какой-либо физической величины, резистор R2 можно заменить датчиком, изменяющим сопротивление под воздействием окружающей среды. Пример приводится на рисунке 5.

Рисунок 5. Схема контроля окружающей среды.
Условно на одной схеме размещено несколько датчиков. Если это фототранзистор, получится фотореле: при высокой освещённости фототранзистор открыт, сопротивление минимально, напряжение на управляющем выводе DA1 ниже порога, и светодиод не светится. По мере снижения освещённости сопротивление фототранзистора возрастает, напряжение на управляющем выводе DA1 достигает порогового значения (2,5 В), стабилитрон открывается и светодиод загорается.
При подключении к входу устройства терморезистора, например серии ММТ, индикатор представляет собой температуру: при понижении температуры светодиод загорается. Аналогично данную схему можно применить для измерения влажности, используя электроды из нержавеющей стали, вброшенные в грунт; по высыхании грунта до заданного уровня светодиод зажигается.
Порог срабатывания задаётся настройкой резистора R1.
Помимо световых индикаторов, TL431 позволяет собрать и звуковой индикатор. Схема размещена на рисунке 6.

Рисунок 6. Звуковой индикатор уровня жидкости.
Для контроля уровня жидкости, например воды в ванне, к схеме подсоединяют два нержавеющих электрода, размещённых на расстоянии нескольких миллиметров. При погружении воды сопротивление датчика уменьшается, и микросхема входит в линейный режим; далее возникает автогенерация на пьезокерамическом резонаторе НА1, что приводит к звуковому сигналу.
В качестве источника звука можно использовать излучатель ЗП-3, питание — 5–12 В. Это допускает автономное питание от батарей и обеспечивает возможность применения в различных условиях, включая влажные помещения.
Основной областью применения TL431 остаются источники питания, однако широта возможностей позволяет использовать её в самых разных задачах.
Борис Аладышкин
Популярные публикации:
- Как обнаружить короткозамкнутые витки
- Логические микросхемы. Часть 3
- Как отремонтировать сгоревшую энергосберегающую лампу