Как задержать прямоугольный импульс за считанные секунды — простая RC‑схема, которая работает у всех инженеров
В процессе проектирования контроллера импульсного преобразователя, в ряде конструкций, например при реализации схем с удержанием резонанса, возникает практическая потребность в преднамеренном смещении по времени фронтов и спадов прямоугольной импульсной последовательности при передаче сигнала между функциональными блоками.
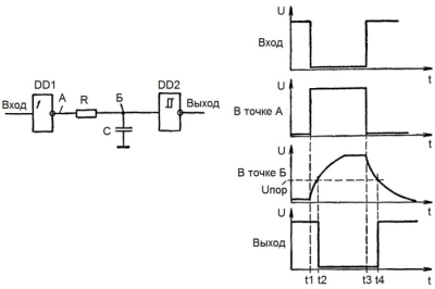
В ряде случаев простейшая реализация такой задержки оказывается наиболее элегантной: две логические инвертирующие ячейки в сочетании с одной RC-цепью. Для реализации удобно использовать микросхему, представляющую собой набор инверторов с достаточно стабильными пороговыми уровнями переключения. В качестве примера приведена широко распространённая серия 74НС04, содержащая шесть элементов «НЕ». На одной такой микросхеме теоретически можно собрать три независимые фазосдвигающие ветви по представленной схеме.

В практическом исполнении при приходе спада входного прямоугольного импульса на первый инвертор, с его выхода формируется фронт, который запускает зарядку конденсатора через резистор. Напряжение на ёмкости возрастает по экспоненциальному закону и теоретически стремится к Uп в пределах примерно 5·R·C секунд (где R — сопротивление в омах, C — ёмкость в фарадах), что задаёт характерную временную шкалу процесса.

Когда верхняя обкладка конденсатора подключена к входу второго инвертора, достижение напряжением на ёмкости порогового значения Uпор вызывает переключение второго элемента, и на его выходе появляется спад с временным сдвигом относительно исходного спада. «До тех пор, пока напряжение на конденсаторе не опустится ниже порога второго инвертора, на его выходе будет удерживаться низкий уровень.» Такое поведение обеспечивает удержание логического состояния на заданный промежуток времени.
При появлении переднего фронта на входе первого инвертора его выход переходит в низкий уровень, что практически шунтирует резистор на нулевой потенциал, и конденсатор начинает разряжаться через резистивную ветвь.
Разряд ёмкости также подчиняется экспоненциальному закону и теоретически завершается за время порядка 5·R·C. Поскольку верхняя обкладка конденсатора остаётся связанной с входом второго инвертора, понижение напряжения до порога его срабатывания вызовет формирование переднего фронта на выходе второго инвертора, опять же с характерной задержкой относительно фронта первого инвертора. «Пока напряжение на конденсаторе вновь не превысит порог второго инвертора, на его выходе будет удерживаться высокий уровень.» Это обеспечивает симметричное по смыслу, но зависимое по времени поведение во время следующего такта.

При питании микросхемы стабилизированным напряжением 5 В пороговые уровни будут оставаться в пределах предсказуемых значений (с незначительной разницей для уровней переключения при фронте и спаде — см. datasheet). «На практике временные параметры реализуемой задержки можно рассчитать и отрегулировать с помощью переменного резистора, особенно при наличии осциллографа.» Это даёт разработчику возможность точной подгонки временных характеристик под конкретную задачу.
Правильный подбор компонентов RC-цепи следует основывать на требовании, что длительность смещаемого по фазе импульса должна существенно превышать 5·R·C; в таком случае схема отработает предсказуемо, и аналитические приближения по приведённым формулам будут справедливы.

Если требуется ускоренная разрядка конденсатора до прихода следующего импульса, в схему вводят параллельную ветвь с дополнительным резистором и диодом (или лишь диод без резистора). В этом случае постоянная времени при зарядке и разрядке оказывается различной, что позволяет реализовать асимметричную временную характеристику для разных фаз сигнала.
Необходимо также учитывать ограничения по входным и выходным токам микросхемы: как при зарядке, так и при разрядке конденсатора токи ограничены номинальными значениями, указанными в datasheet. «По этой причине для фазосдвигающих цепей данного типа обычно выбирают ёмкости не более нескольких нанофарад, особенно когда в одной из ветвей используется диод без последовательного резистора.» Это уменьшает пиковые токи и защищает элементы микросхемы от перегрузок.
Ремонт — решения для вашего дома и офиса. Современные технологии, качественные материалы и проверенные специалисты помогают воплотить любые идеи. Узнайте о новых подходах, полезных советах и эффективных решениях, чтобы ремонт был удобным, надёжным и соответствовал вашим ожиданиям.